什么是开关柜?!
▼
开关柜由一个或多个低压开关设备和与之相关的控制、测量、信号、保护、调节等设备,由制造厂家负责完成所有内部的电气和机械的连接,用结构部件完整地组装在一起的一种组合体。开关柜的主要作用是在电力系统进行发电、输电、配电和电能转换的过程中,进行开合、控制和保护用电设备。开关柜内的部件主要有断路器、隔离开关、负荷开关、操作机构、互感器以及各种保护装置等组成。以下视频具体解剖了细节:
开关柜的故障分析和对策
▼
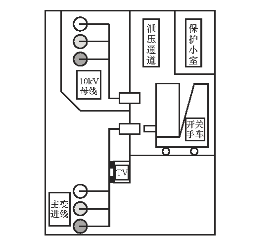
1.1.1 TV柜内避雷器直接连接母线
根据典型设计规范要求,TV柜内避雷器须经隔离手车连接母线,而TV柜内仓位布置、接线方式多样,部分TV柜内避雷器未通过隔离手车连接至母线上,当对TV进行检修时,拉开隔离手车,避雷器仍带电,给进入仓内作业的工作人员带来触电风险。TV柜内避雷器主要有以下几种接线形式,如下图所示:

1.1.2 开关柜下柜与后柜未完全隔离
部分KYN系列主变进线开关柜、母联开关柜、馈线开关柜等开关柜的下柜与后柜未完全隔离,工作人员进入下柜可能误碰母线或电缆头带电部位,造成触电。开关柜下柜与后柜未隔离隐患如图所示:
开关柜下柜与后柜未隔离隐患
对存在接线方式隐患的开关柜进行一次接线改造。开关柜接线方式改造示意图如图所示:
开关柜接线方式改造示意图
1.2.1 TV柜内避雷器接线方式技术改造方案

1.2.2 开关柜下柜与后柜未完全隔离防范措施
由于此类开关柜产品结构定型,如在改造中加装隔板会改变其内部结构形式及空间分布,产品内部防护性能无法保证,因此在进入柜内作业时必须确认主变10kV侧转检修、主变开关转检修,方可进行工作。
近年来,开关柜产品体积不断缩小,柜内绝缘性能发生缺陷、故障增多。主要表现在:爬距和空气间隙不够,特别是手车柜,现在很多厂家为了缩短柜体尺寸,大幅度地减小装于柜内的断路器、隔离插头的相间和对地距离,却未采取有效保证绝缘强度的措施;装配工艺不良,由于装配质量差,开关柜内的单一元件可以通过耐压试验,但组装后开关柜整体却无法通过;接点容量不足或接触不良,当接点容量不足或接触不良时,局部温度升高,绝缘性能下降,引起对地或相间闪络;凝露现象,自带加热器易损坏,无法正常工作,在开关柜内发生凝露现象,降低绝缘性能;配套附件绝缘性能差。部分制造厂为了降低成本,采用绝缘水平较低的配套附件,降低了开关柜的整体绝缘性能。
不能盲目追求开关柜小型化,应根据工程情况、变电站内布置、运行维护和设备检修等因素综合考虑,采购合适的开关柜。
以空气或以空气/绝缘材料作为绝缘介质的设备应考虑绝缘材料的厚度、设计场强和老化问题,并要求制造厂按照标准要求进行凝露试验;对开关柜、环网柜内穿墙套管、机械活门、母排折弯处等部位,如空气绝缘净距离小于125mm(12kV)和300mm(40.5kV),应采取导体加装绝缘护套的包封措施;进出线套管、机械活门、母排拐弯处等场强较为集中的部位,应采取倒角打磨等措施,防止电场畸变;柜内母线支持瓷瓶等一些绝缘爬距不能满足防污条件的设备,喷涂RTV绝缘涂料,提升老旧设备运行的技术条件。
3、防误闭锁不完善
大部分开关柜都装配了防误闭锁装置,但其防误闭锁全面性、强制性并未达到要求。部分铠装式开关柜的后部上柜门为可开启方式,无防误闭锁,无双隔离挡板,打开后就可直接触及带电部位,且螺丝为普通内六角螺丝,易发生开启柜门误入带电柜内的触电事故;部分主变、母联、TV、所用变等无接地开关的开关柜,后部下柜门未与接地开关形成机械闭锁,可拆除螺丝直接打开后柜门,未关柜门的情况下也能合闸送电,易造成检修人员误开、误入带电间隔,发生人员触电事故;部分开关柜后柜门上、下两部分不能独立闭锁,上柜门依靠下柜门闭锁。当合上出线接地开关,下柜门闭锁解除,后上柜门也可打开,易造成触电事故。如KYN28型开关柜;部分开关柜手车拖出后,可以轻易的将绝缘隔离挡扳推上,没有防误闭锁,带电体暴露,工作人员易误开启开关静触头活门档板,造成触电事故。
针对开关柜防误功能不完善,对于后部上柜门可开启,且打开后就可直接触及带电部位的高压开关柜加装机械挂锁,配置微机防误程序锁进行闭锁;在GG1A、XGN等开关柜上加装接地开关与后柜门的联锁,加装带电显示装置闭锁接地开关操作。定期检查防误装置可靠性,利用停电机会检查手车与接地开关,隔离开关与接地开关的机械闭锁装置。
在实际运行中,金属封闭开关柜本身有缺陷,加之运行条件恶劣导致的绝缘性能劣化或误操作等原因,都会造成内部发生电弧故障。短路产生的电弧温度高、能量大,电弧本身是质量极轻的等离子气体,在电动力和热气的作用下电弧会在柜内高速移动并造成故障范围迅速扩大。在此情况下,绝缘材料气化,金属融化,开关柜内部温度及压力骤升,如果未设计或安装合格的压力释放通道,巨大的压力会造成柜体隔板、门板、铰链、观察窗严重变形甚至断裂,电弧产生的高温气流喷出柜体,造成设备附近的运行维护人员严重灼伤,甚至危及生命安全。当前在运设备存在未设置泄压通道、泄压通道设置不合理、内部电弧释放能力未经试验验证以及试验时的考核不严格等问题。
选型:开关柜内部故障电弧性能应为IAC级,内部电弧允许持续时间应不小于0.5s,试验电流为额定短时耐受电流。对于额定短路开断电流31.5kA以上产品可按照31.5kA进行内部故障电弧试验。
改造:加装或更改泄压通道,严格按照型式试验标准要求进行内部电弧试验验证。
保护:适当压缩主变压器各段保护级差,减少故障电弧的持续破坏时间。
5、发热缺陷
回路连接点接触不良,接触电阻增大,发热问题突出,如隔离触头接触不良;金属铠装式柜体通风口设计不合理,空气不对流,散热能力差,柜内发热问题较多;穿墙套管、电流互感器等安装结构形成电磁闭合回路从而产生涡流,造成部分隔离挡板材质发热现象严重;部分封闭开关柜内干式设备(浇注式电流互感器、浇注式电压互感器、干式变压器)选用的绕组线径不足、浇注工艺控制不严,极易发生过热损坏。
加强开关柜的散热,加装送风机及引风机;结合停电机会,检查动静触头接触压力,必要时予以更换,同时更换疲劳的触头弹簧。加大柜体内部测温技术研究,应用无线测温等新技术解决测温难问题。
